MIKALOR SUPRA W2 Chromstahl Schlauchschelle B20 mm Ø 34 - 37 mm

050 1410
1.90 CHF / Stk.
exkl. 8.1% MwSt.
Lager: 7
Gewicht: 0.25 kg / Stk.
Grösse: 48 x 42 x 42 mm
AnzahlStk.
Merken

Beschreibung

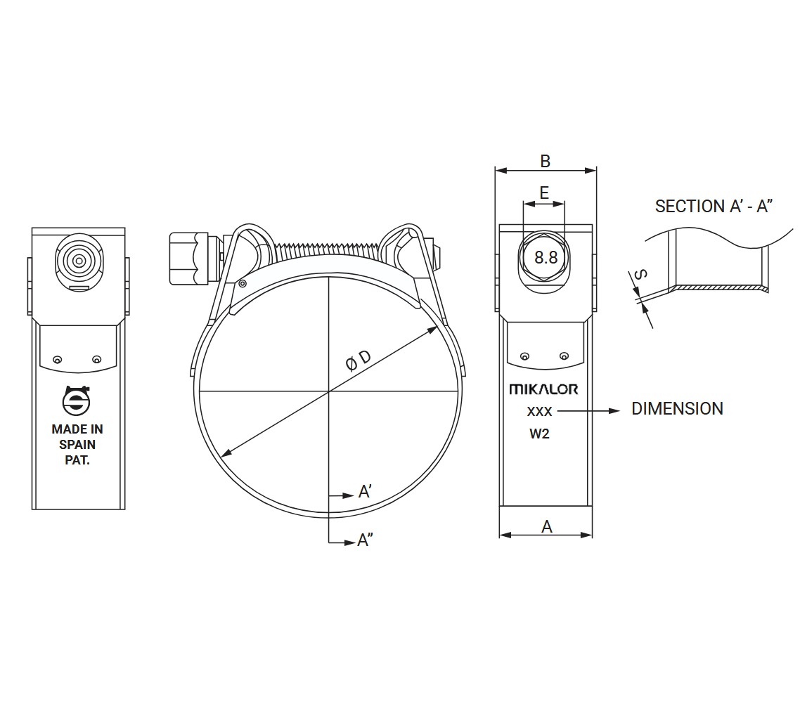
Supra Schelle - Gelenkbolzenschelle W2 - Spannbereich 34 - 37 mm

Ø D 37 mm (+1 -0.5mm)
Bandbreite A 20 mm (±0.3mm)
Materialstärke S 0.8 mm (±0.6mm)
Breite B 22 mm (±0.5mm)
Schraube M7
Drehmoment 13 Nm
Druck 40 Bar

Die Supra-Schelle ist die ideale Wahl für anspruchsvolle Anwendungen in der Industrie, der Automobilindustrie sowie in der andwirtschaft.
Dank ihres revolutionären Designs mit Drehbrücke lässt sie sich leicht montieren, ohne dass der Schlauch entfernt werden muss, so dass sie einfach montiert und demontiert werden kann, ohne dass andere Teile der Schelle entfernt werden müssen.

Vorteile:
Hohe Leistung: Die Geometrie dieser Hochleistungsschelle wurde speziell für hohe Leistungen entwickelt.
Hohe Festigkeit: Die hochfeste Schraube gewährleistet ein sicheres Anziehen und ermöglicht das Erreichen hoher Drehmomentwerte.
Hoher Schutz: Abgeschrägte Kanten verhindern das Einschneiden des Schlauches und gewährleisten eine sichere Verbindung.

Material:
Band und Träger: W2 Rostfreier Stahl X6Cr 17 DIN 1.4016 AISI 430
Schraube: 19 MnB4 1.5523 (EN-10269)
Muttern: Stahl DC04 (EN 10130), ST 3K32 (DIN 1624) = DC03 (EN 10130)

Ausführung: Bolzen und Muttern: Verzinkt Cr3
Korrosionsbeständigkeit: Band, Muttern und Brücke: 72 Stunden Salzsprühnebel ASTM B-117

Zuletzt gesehen

Artikel wurde hinzugefügt!

Wir empfehlen auch folgenden Zubehör: